品牌:HIECUBE
型號:AP05N07-Zero
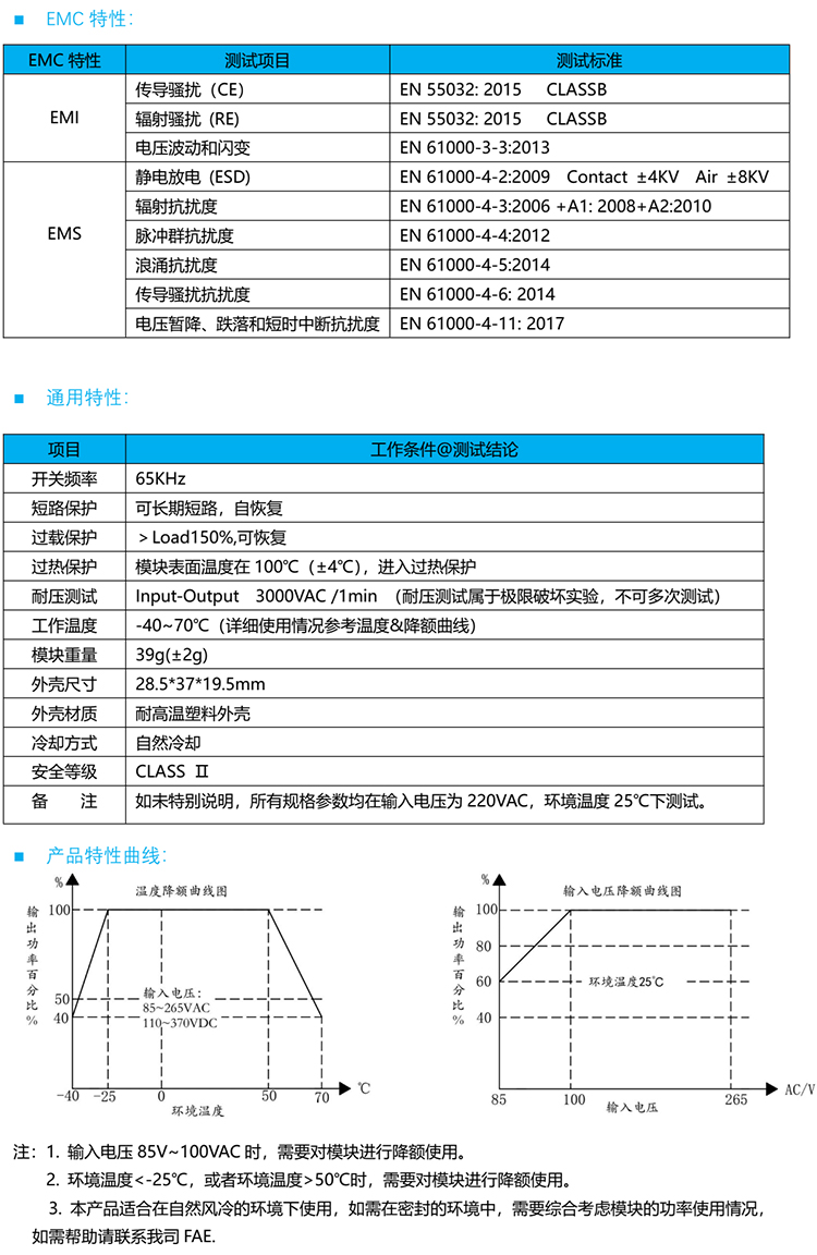
隔離耐壓:3000VAC
輸出電壓精度:±1%
電源類別:工業級ACDC電源模塊
模塊質保年限:3年
規格書下載:http://m.gd-power.com/uploads/d953362a0309e3d62665.pdf


AP05N07-Zero產品規格書下載:http://m.gd-power.com/uploads/d953362a0309e3d62665.pdf